
Напряжение питания: 380В
Номинальная мощность: 1,5 кВт
Номинальный ток: 3,7 А
Габаритные размеры (В/Ш/Г): 145,5/162/71,5 мм
Выходная частота: 0-500 Гц
Перегрузочная способность: 150 % на 1 мин, 180 % на 3 с
Cтепень защиты оболочки: IP54
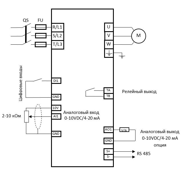
1 дискретных входов
1 аналоговый вход (0-10В/4-20 мА)
1 аналоговый выход (0-10В/4-20 мА) опция
1 релейных выхода
блоки питания 10 VDC,
Modbus RTU
схема общая для всей линейки частотных преобразователей и может незначительно отличаться для данной модели

Векторное/скалярное управление, PI-регулятор, режим "сна", режим автозапуска, защита от гидравлического прорыва, протокол Modbus RTU (RS-485), автоматическое восстановление после отказ и т. д.
Тест частотного преобразователя на степень защиты корпуса