
Напряжение питания: 380В
Номинальная мощность: 4 кВт
Номинальный ток: 9 А
Габаритные размеры (Д/Ш/В): 86/132,8/170 мм
Выходная частота: 0-500 Гц
Перегрузочная способность: 150 % на 1 мин, 180 % на 3 с
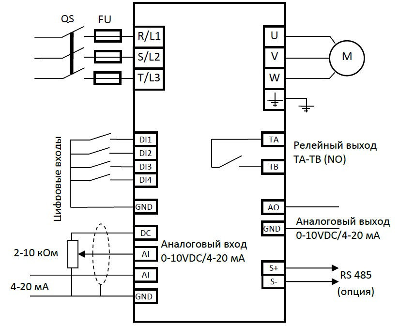
4 дискретных входов
1 аналоговый вход (0-10В/4-20 мА)
1 аналоговый выход (0-10В/4-20 мА)
1 релейный выход
блоки питания 10 VDC
Modbus RTU (опция)
схема общая для всей линейки частотных преобразователей и может незначительно отличаться для данной модели. Modbus RTU -- опция.


Векторное/скалярное управление, PID-регулятор, многоскоростное управление, режим "сна", режим автозапуска, режим защиты от заморозки, защита от гидравлического прорыва, опционально протокол Modbus RTU (RS-485), встроенный ПЛК, счетчик, таймеры, запись последних неисправностей и параметров работы привода при этом, съемная панель управления и т. д.