
Напряжение питания: 380В
Номинальная мощность: 7,5 кВт
Номинальный ток: 16 А
Габаритные размеры (В/Ш/Г): 287/155/174 мм
Выходная частота: 0-500 Гц
Перегрузочная способность: 150 % на 1 мин, 180 % на 3 с
Cтепень защиты оболочки: IP66
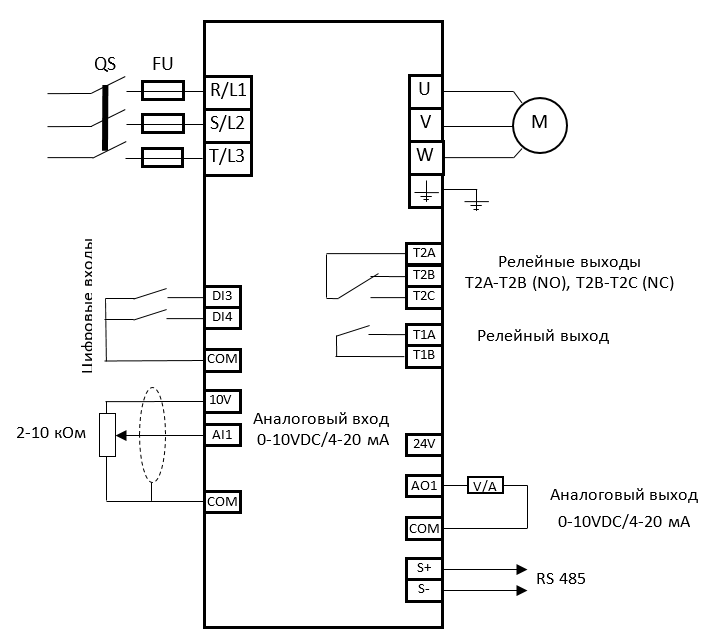
2 дискретных входов
1 аналоговый вход (0-10В/4-20 мА)
1 аналоговый выход (0-10В/4-20 мА)
2 релейных выхода
блоки питания 10 VDC, 24 VDC
Modbus RTU
схема общая для всей линейки частотных преобразователей и может незначительно отличаться для данной модели

Векторное/скалярное управление, PID-регулятор, многоскоростное управление, режим "сна", режим автозапуска, режим защиты от заморозки, защита от гидравлического прорыва, протокол Modbus RTU (RS-485), автоматическое восстановление после отказ, встроенный ПЛК, счетчик, таймеры, запись последних неисправностей и параметров работы привода при этом, съемная панель управления и т. д.