
Краткая инструкция по запуску
Полная инструкция
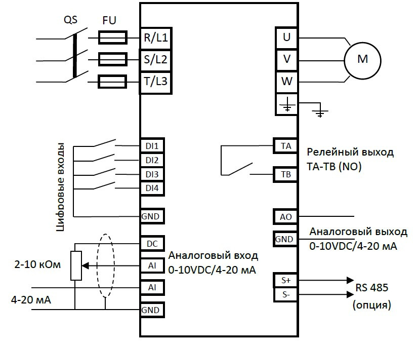
Компактный частотный преобразователь M-driver M900M позволяет реализовать большинство задач, которые стоят перед промышленным приводом, без переплат за ненужный функционал.
Что он умеет:
1) ПИД-регулирование с обратной связью по значению аналогового входа 0/4-20 мА (0-10 В)
2) Режим "сна", режим автозапуска, режим защиты от заморозки, защита от гидравлического прорыва
3) Ступенчатое многоскоростное управление
4) Протокол Modbus RTU (RS-485) (опция)
5) Управление местное, дистанционное или по протоколу связи
7) Набор всех необходимых защит электродвигателя, частотного преобразователя и цепей управления
8) Съемная панель управления

