
Напряжение питания: 1 фаза, 160-260В
Номинальная мощность: 2,2 кВт
Номинальный ток: 10 А
Габаритные размеры (Ш/В/Г): 95,5/158,5/132,5 (с панелью) мм
Выходная частота: 0-600 Гц
Перегрузочная способность: 110% долговременно, 60 с при 150% ном. тока, 5 с при 180% ном тока
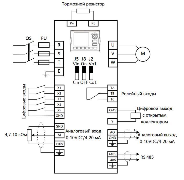
5 дискретных входов


Векторное/скалярное управление, PID-регулятор, многоскоростное управление, режим "сна", режим "тревожного сна", RS485, автоматическое восстановление после отказ, счетчик, запись последних неисправностей и параметров работы привода при этом и т. д.