
Частотный преобразователь является незаменимым устройством при реализации задач водоснабжения объектов разливного уровня: от небольшого дачного кооператива, до снабжения питьевой водой больших населенных пунктов. В этой статье мы рассмотрим основные схемы управления насосами и особенности настройки частотных преобразователей бренда M-driver.
Рассмотрим несколько наиболее популярных схем:
Б) Схема поддержания давления в системе водоснабжения с использованием электроконтактного манометра (ЭКМ)
Данная схема относится в двухпозиционному регулированию. Ее основная задача сводится к включению насоса при достижении нижнего значения давления и включению его при достижении верхнего предела давления. Наличие частотного преобразователя позволяет:
1) Снизить гидроудары за счет плавного разгона и торможения насоса
2) Снизить нагрузки на электрическую сеть за счёт снижения пусковых токов асинхронного электродвигателя привода насоса
В данной системе управления необходимо использовать электроконтактный манометр РОСМА серии 510 в исполнении 03 (III).

Например, необходимо чтобы при давлении ниже 8 бар насос включался в работу, а при достижении 10 бар — отключался. В данном случаи:
|
Значение давления |
Контакт 2-1 (нижний уровень (НУ)) |
Контакт 2-3 (верхний уровень (ВУ)) |
|
до 8 бар |
разомкнут |
Замкнут |
|
от 8 до 10 бар |
разомкнут |
Замкнут |
|
более 10 бар |
разомкнут |
разомкнут |
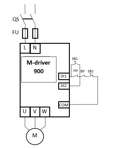
Схема подключения:

Логика работы:
1) Ручное управление осуществляется с кнопок ПУСК (NO) и аварийный СТОП (NC с фиксацией), как показано на рисунке
2) При значении давления ниже 8 бар контакт НУ, замыкается и частотный преобразователь плавно разгоняет насос до заранее заданной скорости. Работа частотника настроена по импульсу сигнала на дискретном входе, поэтому дальнейшее состояние контакта НУ в диапазоне от 8 до 10 бар на работу не влияет (НУ размыкается). При достижении давления значения 10 бар контакт ВУ размыкается и частотный преобразователь плавно останавливает насос до тех пор, пока давление не снизится вновь до 8 бар и контакт НУ не перейдет в замкнутое состояние. Дальше цикл повторяется
Код
|
Параметр
|
Значение
|
Описание
|
F8-06
|
Режим управления двигателем
| 0 | 0: Управление U/f. |
F2-00
|
Настройка кривой U/f
|
2
|
2: квадратичная U/f.
|
F0-00 | Выбор источника команд | 1 | 1: команда запуска с терминала (клемм) |
F0-01 |
Выбор источника задания основной частоты
| 1 | 1: панельный потенциометр |
F0-04
|
Время ускорения
|
20 с
|
0-500 с
|
F0-05
|
Время торможения
|
20 с
|
0-500 с
|
F1-00
|
Выбор функции клеммы DI1
|
1
|
1: Прямой ход FWD
|
F1-01
| Выбор функции клеммы DI2 |
3
|
3: Управление трехпроводным режимом работы
|
F1-06
|
Режим работы клемм
|
3
|
3: Трехпроводный режим 2
|
Если у Вас остались вопросы:
- Как настроить частотный преобразователь для работы с ЭКМ? Как настроить частотник с электроконтактным манометром?
- Как подключить частотный преобразователь к ЭКМ?
- Купить частотник для насоса с ЭКС?
- Настроить частотник для насоса?
То звоните или пишите нам:
Отдел продаж:
+ 375 44 555 66 51 (A1) 445556651@mail.ru
+ 375 29 566 64 51 (МТС) 5666451@mail.ru
Отдел тех поддержки и сервиса:
+ 375 29 259 49 35 megahm@mail.ru
Преимущества работы с нами:
• Склад в Минске
• Техническая консультация
• Доставка по РБ и странам ТС
• 100 % выполнение заводских гарантийных обязательств и постгарантийных
• Собственный сервисный центр