
Краткая инструкция по запуску 900G
Полная инструкция 900G
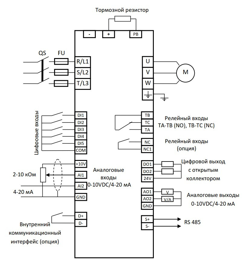
Частотный преобразователь M-driver M900G прекрасно подходит для управления скоростью вращения электродвигателей для большинства типов нагрузок и режимов управления.
Что он умеет:
1) ПИД-регулирование с обратной связью по значению аналогового входа 0/4-20 мА (0-10 В)
2) Режим "сна", режим автозапуска, режим защиты от заморозки, защита от гидравлического прорыва
3) Ступенчатое многоскоростное управление
4) Протокол Modbus RTU (RS-485)
5) Управление местное, дистанционное или по протоколу связи
6) Встроенный тормозной модуль до 5,5 кВт включительно
7) Набор всех необходимых защит электродвигателя, частотного преобразователя и цепей управления
9) Каскадное управление группой насосов
10) АВР по насосам
11) Съемная панель управления
Модельный ряд:
Входное напряжение 3 фазы 380В
900-0007G3 0,75 кВт 2,1 А, 380В
900-0015G3 1,5 кВт 3,7 А, 380В
900-0022G3 2,2 кВт 5,1 А, 380В
900-0030G3 3 кВт 7 А, 380В
900-0040G3 4 кВт 9 А, 380В
900-0055G3 5,5 кВт 13 А, 380В
900-0075G3 7,5 кВт 16 А, 380В
900-0110G3 11 кВт 25 А, 380В
900-0150G3 15 кВт 32 А, 380В
900-0185G3 18,5 кВт 37 А, 380В
900-0220G3 22 кВт 44 А, 380В
900-0300G3 30 кВт 60 А, 380В
900-0370G3 37 кВт 75 А, 380В
900-0450G3 45 кВт 90 А, 380В
900-0550G3 55 кВт 110 А, 380В
900-0750G3 75 кВт 150 А, 380В
Входное напряжение 1 фаза 220В
900-0007G1 0,75 кВт 4 А, 220В
900-0015G1 1,5 кВт 7 А, 220В
900-0022G1 2,2 кВт 10 А, 220В
