Реализация на частотном преобразователе Canroon CV800.
• Пуск, Стоп осуществляется дистанционно.
• Ввод задания и настроек для ПИД регулятора осуществляется со встроенной панели управления.
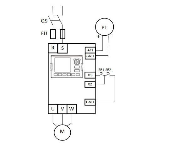
1. Подключите датчик давления (PT) c унифицированного токового сигнала 4-20 мА к клеммам ACI, GND, как показано на рисунке.
2. Подключите кнопки ПУСК и СТОП, как показано на рисунке, к клеммам X1, X2, .
3. ПУСК осуществляется кнопкой SB1, СТОП кнопкой SB2
4. Ввод задания и настроек для ПИД регулятора осуществляется с панели управления.
Значения коэффициентов настройки ПИД регулятора зависят от свойств объекта управления и рассчитываются индивидуально.
F3.03 – пропорциональный коэффициент усиления P (0,01-5,00);
F3.04– время интегрирования время Ti (0,1-50,0 c).
F3.05 – время дифференцирования (0-10,0 c).
Отображение оперативных данных:
d-11 значение обратной связи PID по давлению

F8.03 Сброс текущих настроек на заводские 1
1: Восстановление заводских настроек (Все пользовательские параметры
восстанавливаются до заводских значений по умолчанию в зависимости от модели)
F4.00 Номинальное напряжение двигателя <> ## В – паспортные данные (из таблички двигателя)
F4.01 Номинальный ток двигателя <> ## А – паспортные данные (из таблички двигателя)
F4.02 Номинальная скорость двигателя <> ## об/мин – паспортные данные (из таблички двигателя)
F4.03 Номинальная частота двигателя <> ## Гц – паспортные данные (из таблички двигателя)
F0.13 Настройка кривой U/f 1
0: линейная кривая
1: квадратная кривая
2: многоточечная кривая U/f (необходимо еще настроить параметры группы F0)
F0.02 Выбор канала команды запуска 1 1: команда запуска с терминала (клемм)
F2.04 Нижний предел тока входа ACI 4 мА 4 мА
F0.04 Максимальная выходная частота 50 Гц 0-999 Гц
F0.06 Нижний предел частоты 0 0 – [F0.05]
F0.05 Верхний предел частоты 50 Гц [F0.06]-[F0.04]
F0.10 Время разгона 7,5 с 0,1-999,9 с (зависит от модели)
F0.11 Время замедления 7,5 с 0,1-999,9 с (зависит от модели)
F0.12 Направление движения 0
0: вперед;
1: назад
2: запрет обратного вращения
F0.16 Несущая частота 6 кГц 1-16 кГц (в зависимости от модели)
F3.00 Настройка функций PID-регулятора 1111
Тысячи (режим сна)
0: отключен
1: обычный сон (Необходимо задать параметры [F3.10] ~[F3.13])
Сотни (вход сигнала обратной связи)
0: AVI
1: ACI
Десятки: канал задания уставки PID-регулятора
0: потенциометр панели управления ПЧ
1: цифровое задание (параметром F3.01)
Единицы (характеристика PID-регулятора)
0: отключен
1: положительный эффект (Если сигнал обратной связи больше задания (уставки), выходная частота ПЧ снижается (уменьшение сигнала обр. связи))
F3.01 Задание уставки PID-регулятора <> 0-100%
F3.03 Пропорциональный коэффициент усиления P 2 0,01-5,00
F3.04 Время интегрирования Ti 1 c 0,1-50,0 c
F3.05 Время дифференцирования Td 0 c 0-10,0 c
F3.10 Пороговое значение сна 100 % 0-100%
F3.11 Пороговое значение пробуждения 90% 0-90%
F3.12 Время задержки сна 100 c 0-999.9c
F3.13 Время задержки пробуждения 1 c 0-999.9c
F2.13 Функция входа X1 3 3: прямое вращение (FWD)
F2.14 Функция входа X2 5 5: 3-проводное управление
F2.18 Режим управления с клемм FWD/REV 2 3: 3-проводной режим управления 1