
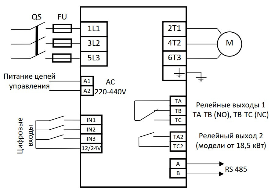
Данная модель устройства плавного пуска — передовое цифровое решение для плавного пуска двигателей мощностью от 5,5 кВт до 115 кВм. Оно обеспечивает полный набор функций комплексной защиты двигателя и системы, гарантируя надежную работу даже в самых суровых условиях эксплуатации.
Функциональные возможности:
Условия эксплуатации
Модельный ряд:
На напряжение 3 фазы 400В
SSR4011-A-3P3-1 5,5 кВт 11 А, 400В
SSR4015-A-3P3-1 7,5 кВт 15 А, 400В
SSR4022-A-3P3-1 11 кВт 22 А, 400В
SSR4030-A-3P3-1 15 кВт 30 А, 400В
SSR4037-A-3P3-1 18,5 кВт 37 А, 400В
SSR4045-A-3P3-1 22 кВт 44 А, 400В
SSR4060-A-3P3-1 30 кВт 60 А, 400В
SSR4075-A-3P3-1 37 кВт 75 А, 400В
SSR4090-A-3P3-1 45 кВт 90 А, 400В
SSR40110-A-3P3-1 55 кВт 110 А, 400В
SSR40150-A-3P3-1 75 кВт 150 А, 400В
SSR40180-A-3P3-1 90 кВт 180 А, 400В
