
Каталог Устройства плавного пуска SAFESAVE SSR (eng)
Инструкция Устройства плавного пуска SAFESAVE SSR (rus)
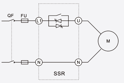
Устройство плавного пуска SAFESAVE SSR со встроенным байпасом позволяет значительно уменьшить пусковые токи асинхронного электродвигателя, снизить перегрузку электрической сети в процессе запуска электродвигателя, избавиться от излишних механических нагрузок и гидроударов.
Что оно умеет:
1) Настраиваемое время разгона и остановки от 1 до 30 с
2) Встроенный байпас (обводной контактор) во всей линейке
3) Возможные схемы подключения: "треугольник", "звезда", "внутри треугольника"
4) Большой набор встроенных защит как самого устройства плавного пуска, так и электродвигателя.
5) Возможность подключения по промышленному интерфейсу Modbus RTU (опция)
6) Возможность работы в сетях с напряжением 220В/380В/500В
7) Два релейных выхода (NO)
8) Встроенный байпас
Модельный ряд:
На напряжение 3 фазы 400В
SSR401T5-A-3P3 0,75 кВт 1,5 А, 400В
SSR402T2-A-3P3 1,1 кВт 2,2 А, 400В
SSR4003-A-3P3 1,5 кВт 3 А, 400В
SSR404T5-A-3P3 2,2 кВт 4,5 А, 400В
SSR407T5-A-3P3 3,7 кВт 7,5 А, 400В
SSR4011-A-3P3 5,5 кВт 11 А, 400В
SSR4015-A-3P3 7,5 кВт 15 А, 400В
SSR4022-A-3P3 11 кВт 22 А, 400В
SSR4030-A-3P3 15 кВт 30 А, 400В
SSR4037-A-3P3 18,5 кВт 37 А, 400В
SSR4045-A-3P3 22 кВт 45 А, 400В
SSR4060-A-3P3 30 кВт 60 А, 400В
SSR4075-A-3P3 37 кВт 75 А, 400В
SSR4090-A-3P3 45 кВт 90 А, 400В
На напряжение 1 фаза 220В
SSR2002-A-1P1 0,37 кВт 2 А, 220В
SSR2003-A-1P1 0,55 кВт 3 А, 220В
SSR2004-A-1P1 0,75 кВт 4 А, 220В
SSR2006-A-1P1 1,1 кВт 6 А, 220В
SSR2009-A-1P1 1,5 кВт 9 А, 220В
SSR2012-A-1P1 2,2 кВт 12 А, 220В
SSR2020-A-1P1 3,7 кВт 20 А, 220В
SSR2030-A-1P1 5,5 кВт 30 А, 220В

