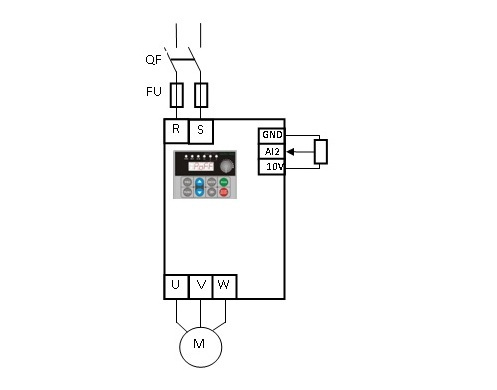
Пример реализации на частотом преобрпазователе Canroon CV900G
• Пуск с клавиши “RUN” с панели управления
• Стоп с клавиши “STOP/RESET с панели управления
• Реверс с клавиши “FUNC” с панели управления
• Задание скорости с внешнего потенциометра, подключенного к AI2

FE.13 Сброс текущих настроек на заводские <> 1: восстановить заводские настройки по умолчанию
(все параметры пользователя, кроме параметров двигателя) 2: восстановить заводские настройки по умолчанию
(все параметры пользователя)
F2.01 Номинальная мощность двигателя <> ## кВт – паспортные данные (из таблички двигателя)
F2.02 Номинальная частота двигателя <> ## Гц – паспортные данные (из таблички двигателя)
F2.03 Номинальная скорость двигателя <> ## об/мин – паспортные данные (из таблички двигателя)
F2.04 Номинальное напряжение двигателя <> ## В – паспортные данные (из таблички двигателя)
F2.05 Номинальный ток двигателя <> ## А – паспортные данные (из таблички двигателя)
F2.16 Метод автонастройки 0 0: не активна, 1: статическая автонастройка,
2: автонастройка с вращением без нагрузки
F0.05 Режим управления 0 0: скалярное управление U / F
F0.06 Канал управленияоперациями 0 0: канал команд запуска с панели управления
F0.07 Источник основной частота А 4 4: аналоговый вход AI2
F0.09 Источник частоты 0 0: основной источник частоты A
F0.15 Максимальная выходная частота 50 Гц 0-300 Гц (для расширения диапазона до 3000 Гц установите параметр F0.18 «1»)
F0.17 Нижний предел частоты 0 0 – [F0.16]
F0.16 Верхний предел частоты 50 Гц [F0.17]-[F0.15]
F0.19 Время разгона 7,5 с 0,1-3600 с
F0.20 Время замедления 7,5 с 0,1-3600 с
F0.21 Направление движения 0 0: вперед, 1: назад 2: предотвратить движение назад
F0.22 Несущая частота 6 кГц 1-16 кГц
FE.01 Функция клавиши FUNC 4 4: Реверс, 1: переключатель Вперед/Реверс
FE.02 Функция клавиши STOP/RESET 3 3: действует во всех режимах управления
И незабываем о параметрах защиты F5