
Полная инструкция M-driver 900H IP54
M-driver 900H -- бюджетный частотный преобразователь с высокой степенью защиты оболочки IP54 прекрасно подойдет для работы в производственных помещениях, где происходит частая мойка и возможно образование брызг воды (пищевые производства, фармацевтика, станции мойки подвижного состава и д.р.), для котельных и теплопунктов.
Что он умеет:
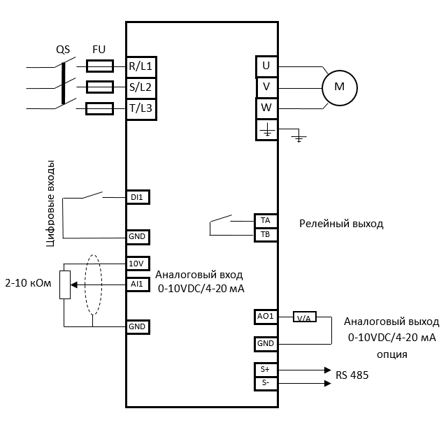
1) ПИ-регулирование с обратной связью по значению аналогового входа 4-20 мА (0-10 В)
2) Режим "сна", режим автозапуска, режим защиты от заморозки, защита от гидравлического прорыва
3) Протокол Modbus RTU (RS-485)
4) Управление местное, дистанционное или по протоколу связи
5) Набор всех необходимых защит электродвигателя, частотного преобразователя и цепей управления
Модельный ряд:
Входное напряжение 3 фазы 380В
M900-0007Н3 0,75 кВт 2,5 А, 380В, IP54
M900-0015Н3 1,5 кВт 3,7 А, 380В, IP54
M900-0022Н3 2,2 кВт 5,1 А, 380В, IP54
Модельный ряд:
Входное напряжение 1 фаза 220В
M900-0007H1 0,75 кВт 4 А, 220В, IP54
M900-0015H1 1,5 кВт 7 А, 220В, IP54
